探花网站免费观看截止阀

探花网站免费观看氨用截止阀产品概述:
J41B/F-25P 探花网站免费观看氨用截止阀专为氨气、燃气的管路或装置设计。结构上注意了防火要求。填料采用聚四氟乙烯,密封可靠。密封副材料采用聚四氟乙烯,为软密封,密封可靠。适用于氨气,液化石油气氟气管路系统,作为启闭装置,也适用于其他温度≤150℃的管路。氨用截止阀具有密封性能稳定、使用安全可靠、耐腐蚀性强、无介质内、外漏以及操作轻便等特点,适用于化工行业氨气,燃气管道的传送,并符合使用的要求。其密封性、可维修性、安全性等。
探花网站免费观看氨用截止阀产品特点:
1.针对普通阀门耐腐蚀性能差、壳体易穿孔的缺点,根据介质具体特性,氨气专用阀在阀体材料上选用耐腐蚀钢(低温碳素钢添加耐蚀合金元素),可耐氨气、液氨腐蚀,低温可至-40℃,符合工况条件使用要求。
2.氨用截止阀密封副配对结构型式采用球、平面型,密封自动补偿,达到双重保险的效果,密封性能稳定,无粘着磨损。
3.产品中法兰采用凹凸密封结构,即使在管道压力波动的情况下,保证中法兰密封可靠。
4.上密封装置中采用多级聚四氟乙烯密封材料,形成组合密封,确保阀门在使用期限内填料函无介质泄露,消除了普通阀门填料函密封薄弱、介质易外漏。
探花网站免费观看氨用截止阀性能参数:
公称压力PN(MPA) | 试验压力PS(MPa) | 适用介质 | 适用温度(℃) | |
2.5 | 3.8 | 氨气、 | 巴氏合金 | 四氟 |

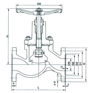
探花网站免费观看氨用截止阀连接尺寸:

公称通径 DN(mm) | 主要外形尺寸及连接尺寸(mm) | ||||||||||
L | D | D1 | D2 | D6 | b | f | f2 | z-d | H | DO | |
J41B-16C J41B-16Q J41B-16K | |||||||||||
10 | 130 | 90 | 60 | 40 | 35 | 14 | 2 | 4 | 4-14 | 196 | 120 |
15 | 130 | 95 | 65 | 45 | 40 | 14 | 2 | 4 | 4-14 | 196 | 120 |
20 | 150 | 105 | 75 | 55 | 51 | 16 | 2 | 4 | 4-14 | 196 | 140 |
25 | 160 | 115 | 85 | 65 | 58 | 16 | 2 | 4 | 4-14 | 204 | 160 |
32 | 180 | 135 | 100 | 78 | 66 | 18 | 2 | 4 | 4-18 | 208 | 160 |
40 | 200 | 145 | 110 | 85 | 76 | 18 | 3 | 4 | 4-18 | 248 | 200 |
50 | 230 | 160 | 125 | 100 | 88 | 20 | 3 | 4 | 4-18 | 248 | 200 |
65 | 290 | 180 | 145 | 125 | 110 | 22 | 3 | 4 | 4-18 | 321 | 240 |
80 | 310 | 195 | 160 | 135 | 121 | 24 | 3 | 4 | 8-18 | 325 | 240 |
100 | 350 | 215 | 180 | 155 | 150 | 24 | 3 | 4.5 | 8-18 | 371 | 280 |
125 | 400 | 245 | 210 | 185 | 176 | 26 | 3 | 4.5 | 8-18 | 400 | 320 |
150 | 480 | 280 | 240 | 210 | 204 | 26 | 3 | 4.5 | 8-23 | 432 | 320 |
200 | 600 | 335 | 295 | 265 | 260 | 30 | 3 | 4.5 | 12-23 | 654 | 400 |
250 | 650 | 405 | 335 | 320 | 313 | 32 | 3 | 4.5 | 12-25 | 745 | 500 |
300 | 700 | 460 | 410 | 375 | 364 | 34 | 3 | 4.5 | 12-25 | 852 | 600 |
相关产品


